说明:
建设单位向我镇申请乡村建设工程规划许可证,根据有关规定,现将规划许可事项向相关利害关系人进行公示,并公开征询意见。
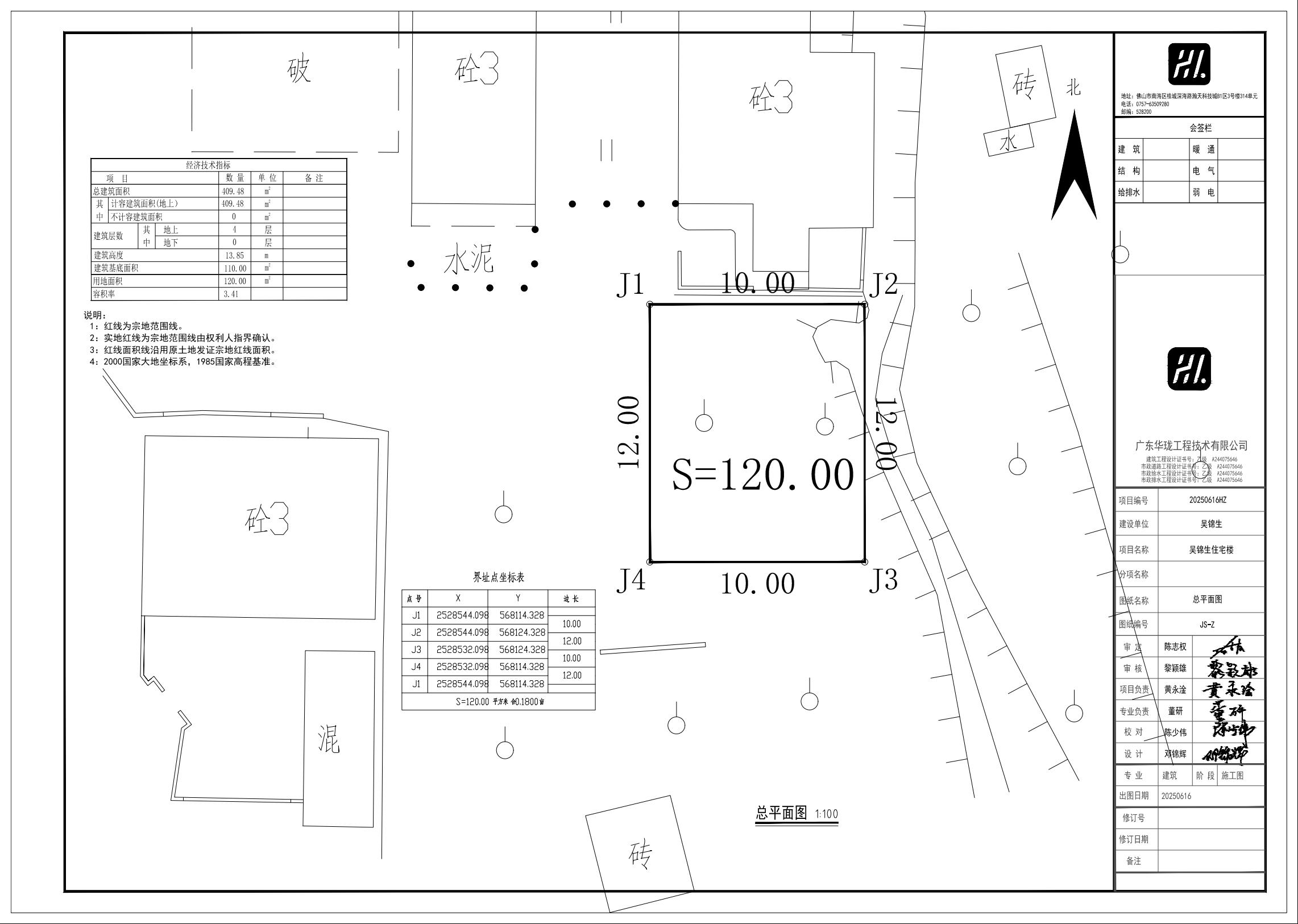
公示项目:吴锦生住宅楼乡村建设工程规划许可批前公示
项目位置:郁南县河口镇甘罗村委下村
建设单位:吴锦生
公示期限:2025年10月28日至2025年11月6日
公示时间:10日
公示媒介:郁南政府信息网
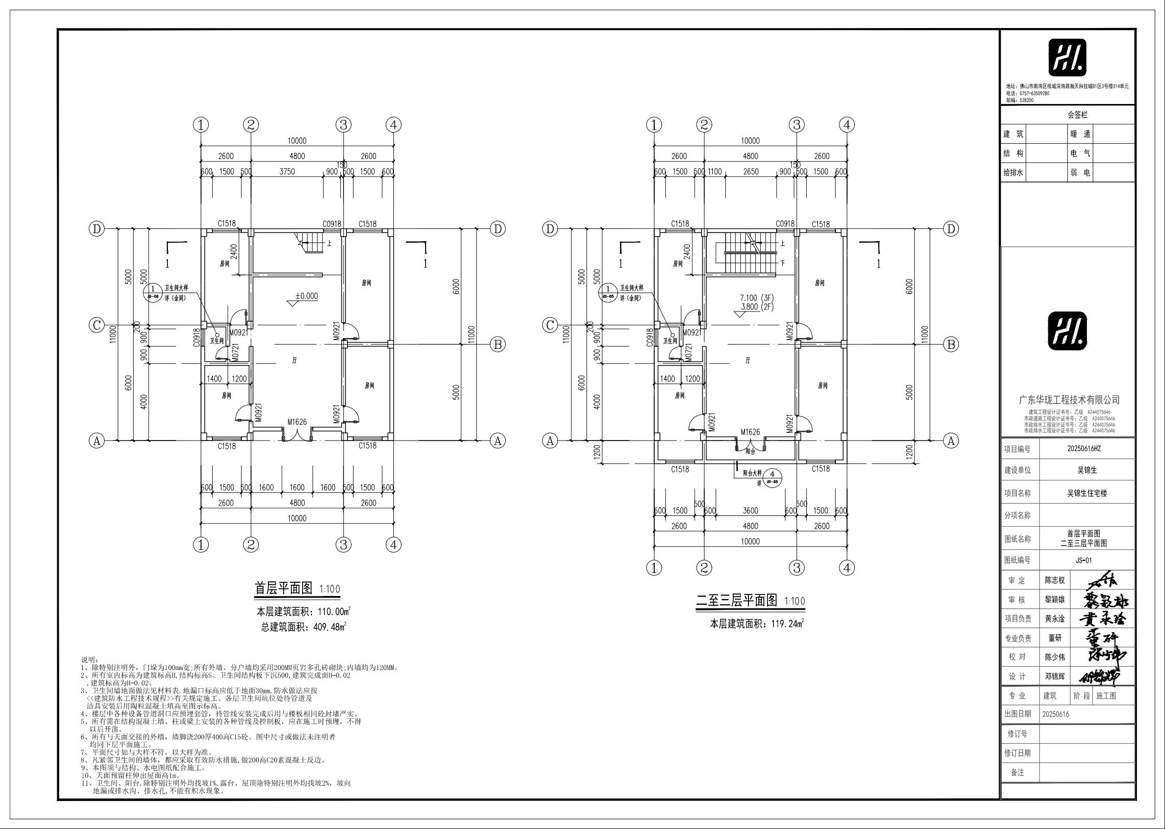
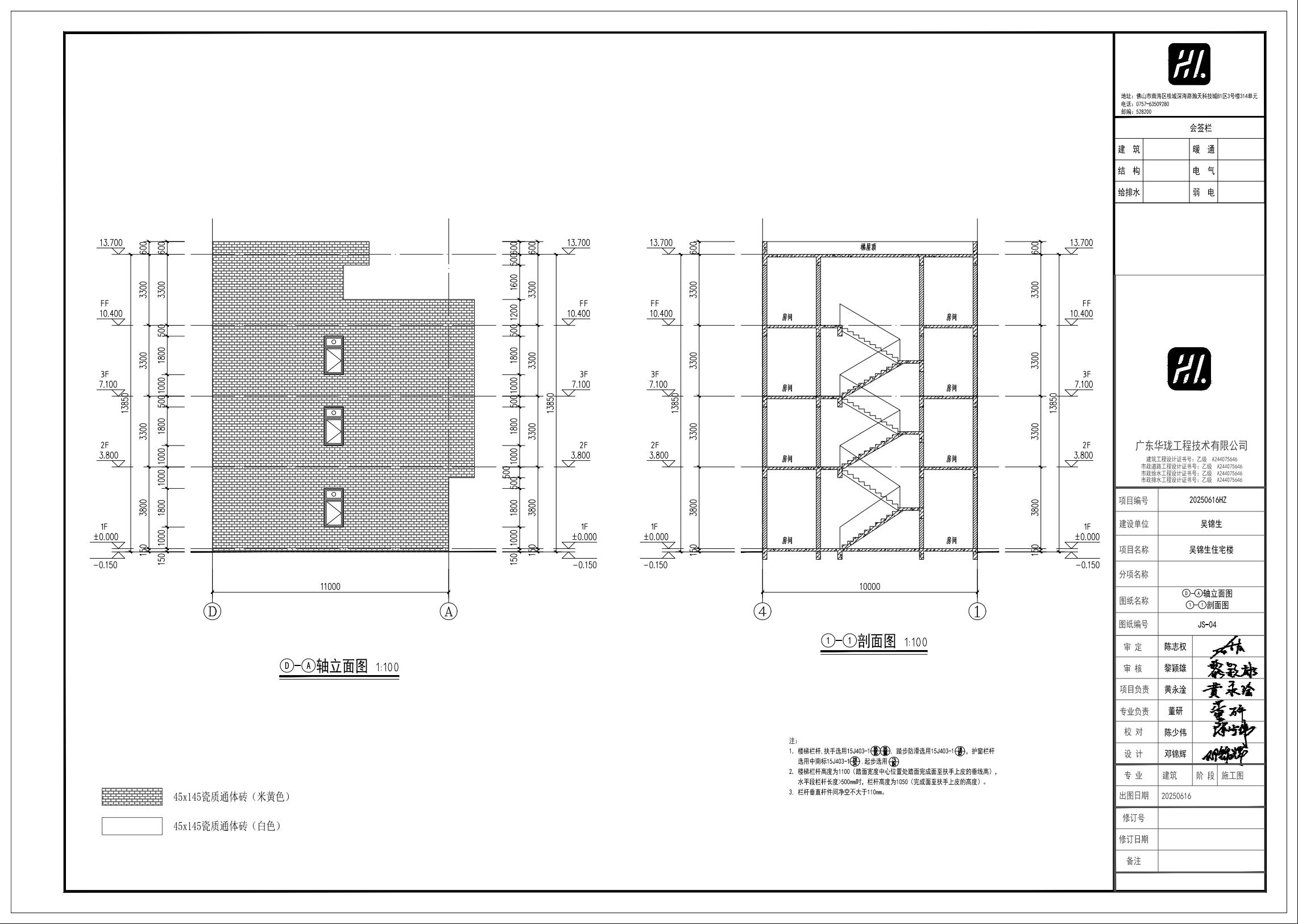
工程概况:本项目用地面积120平方米,可建设用地面积120平方米,原则上符合规划。本项目拟新建1栋4层住宅楼,基底面积110平方米,建筑面积409.48平方米,建筑高度13.85米。
附注:
一、下图仅为示意图,作征询之用,以最后审批为准。
二、意见反馈方式
1、来函请邮寄:郁南县河口镇人民政府大院邮编:(527126)
2、咨询电话:0766-7618513
3、电子邮箱:hkgt7618513@163.com
三、有效意见反馈期限:公示期限内。信函反馈意见邮戳日不应超过公示期限最后一天,其他方式反馈意见发表时间不应超过公示期最后一天24:00,逾期视为无效意见不予采纳。
四、有效反馈意见:请注明联系人真实姓名及联系方式,如反馈意见信息不准确或不完整造成无法及时进一步核对有关情况的视为无效意见。












公安机关备案标识码:44532202000109